Вводно-распределительное устройство ВРУ1-47-00
Вводно-распределительное устройство ВРУ1-47-00
Подробнее
9 652 руб./шт
Много
Нашли дешевле?
-
+
В корзину
Цена действительна только для интернет-магазина и может отличаться от цен в розничных магазинах
Описание
| Вводно-распределителыные устройства ВРУ1 предназначены для приема, распределения и учета электроэнергии в сетях 380/220В трехфазного переменного тока частоты 50 Гц, а также для защиты линий при перегрузках и коротких замыканиях. |
Расшифровка используемых аббревиатур
ВРУ1-11-10 | ВРУ | Вводно-распределительное устройство |
|---|---|---|
| 1 | Номер разработки | |
| - | ||
| ХХ | Назначение панели (11-18 - вводные; 21-29 - вводно-распределительные; 41-50 - распределительные) | |
| - | ||
| Х | Наличие аппаратов на вводе (0-отсутствуют; 1-переключатель на 250А; 2-переключатель на 400А; 5-выключатель на 250А; 6-выключатель и предохранители на 250А; 7-выключатель, предохранители и аппаратура АВР на 100А; 8-выключатель; предохранители и аппаратура АВР на 250А) | |
| Х | Наличие дополнительного оборудования (0-отсутствует; 1-блок автоматического управления освещением (БАУО) с автоматическими выключателями ЗОх16А; 2-блок управления освещением (БУО) с автоматическими выключателями 30x16А; 3-БАУО с автоматическими выключателями 14x16А; 4-БУО с автоматическими выключателями 14x16А; 5-БАУО с автоматическими выключателями 8х16А; 6-БУО с автоматическими выключателями 8х16А) | |
| УХЛ4 | Климатическое исполнение и категория размещения по ГОСТ15150-69 |
УСТРОЙСТВО
| Вводно-распределительные устройства комплектуются из панелей одностороннего обслуживания и могут быть однопанельными и многопанельными. Габаритные размеры панели 1700х800х450мм (ВхШхГ). Ошиновка ВРУ выдерживает без повреждений ударный ток короткого замыкания 10 кА. Схемы панелей ВРУ, а также устанавливаемая в них аппаратура, приведены в таблице и на рисунках. |
СТАНДАРТНЫЕ НАИМЕНОВАНИЯ И ОСНОВНЫЕ ПАРАМЕТРЫ
| Тип | Номиннал. ток, А | Принципиальная схема первичных соединений | Элементы на схеме |
|---|---|---|---|
| Вводные панели | |||
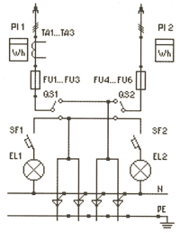
| ВРУ1-11-10УХЛ4 | 2*250 | FU1-FU6: Предохранители ПН2-250 PI1, PI2: Счетчики (учет общ. нагр.) QS1, QS2: Переключатели 250А SF1, SF2: Автоматические выключатели EL1, EL2: Лампы накаливания TA1-TA6: Трансф-ры тока 50/5...200/5 | |
| ВРУ1-12-10УХЛ4 | 2*250 | FU1-FU6: Предохранители ПН2-250 PI1: Счетчик (учет общ. нагр.) PI2: Счетчик (учет домоупр. нагр.) QS1, QS2: Переключатели 250А SF1, SF2: Автоматические выключатели EL1, EL2: Лампы накаливания TA1-TA3: Трансф-ры тока 50/5...200/5 | |
| ВРУ1-13-20УХЛ4 | 2*400 | FU1-FU6: Предохранители ПН2-400 PI1, PI2: Счетчики (учет общ. нагр.) QS1, QS2: Переключатели 400А SF1, SF2: Автоматические выключатели EL1, EL2: Лампы накаливания TA1-TA6: Трансф-ры тока 200/5...400/5 | |
| ВРУ1-14-20УХЛ4 | 2*400 | FU1-FU6: Предохранители ПН2-400 PI1: Счетчик (учет общ. нагр.) PI2: Счетчик (учет домоупр. нагр.) QS1, QS2: Переключатели 400А SF1, SF2: Автоматические выключатели EL1, EL2: Лампы накаливания TA1-TA3: Трансф-ры тока 200/5...400/5 | |
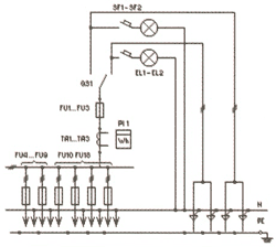
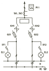
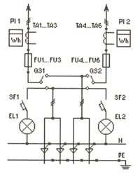
| ВРУ1-17-70УХЛ4 (панель с АВР) | 100 | PI1: Счетчик (учет общ. нагр.) QS1, QS2: Блок-выключатели 250/100А SF1, SF2: Автоматические выключатели EL1, EL2: Лампы накаливания KM1, KM2: Контакторы TA1-TA3: Трансф-ры тока 50/5...100/5 | |
| ВРУ1-18-80УХЛ4 (панель с АВР) | 250 | PI1: Счетчик (учет общ. нагр.) QS1, QS2: Блок-выключатели 250/250А SF1, SF2: Автоматические выключатели EL1, EL2: Лампы накаливания KM1, KM2: Контакторы TA1-TA3: Трансф-ры тока 100/5...200/5 | |
| Тип | Принципиальная схема первичных соединений | Элементы на схеме | Блок управления освещением | |
|---|---|---|---|---|
| Вид | Рис. | |||
| Распределительные панели | ||||
| ВРУ1-41-00УХЛ4 ВРУ1-42-01УХЛ4 ВРУ1-42-02УХЛ4 | FU1-FU6: Предохранители ПН2-100 FU7-FU27: Предохранители ПН2-100 | Нет Автоматический Неавтоматический | - 1 2 | |
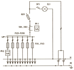
| ВРУ1-43-00УХЛ4 | FU1-FU6: Предохранители ПН2-100 FU7-FU27: Предохранители ПН2-100 PI1: Счетчик (учет абон. нагр.) TA1-TA3: Трансф-ры тока 100/5...300/5 | Нет | - | |
| ВРУ1-44-00УХЛ4 ВРУ1-45-01УХЛ4 ВРУ1-45-02УХЛ4 | FU1-FU6: Предохранители ПН2-250 FU7-FU27: Предохранители ПН2-100 | Нет Автоматический Неавтоматический | - 1 2 | |
| ВРУ1-46-00УХЛ4 | FU1-FU6: Предохранители ПН2-250 FU7-FU27: Предохранители ПН2-100 PI1: Счетчик (учет абон. нагр.) TA1-TA3: Трансф-ры тока 100/5...300/5 | Нет | - | |
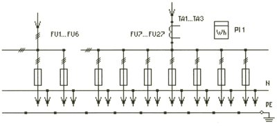
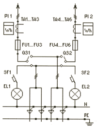
| ВРУ1-47-00УХЛ4 ВРУ1-48-03УХЛ4 ВРУ1-48-04УХЛ4 | FU1-FU15: Предохранители ПН2-100 FU16-FU30: Предохранители ПН2-100 | Нет Автоматический Неавтоматический | - 3 4 | |
| ВРУ1-49-00УХЛ4 ВРУ1-49-03УХЛ4 ВРУ1-49-04УХЛ4 | FU1-FU15: Предохранители ПН2-60 FU16-FU30: Предохранители ПН2-60 | Нет Автоматический Неавтоматический | - 3 4 | |
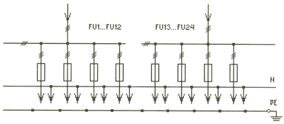
| ВРУ1-50-00УХЛ4 ВРУ1-50-01УХЛ4 ВРУ1-50-02УХЛ4 | FU1-FU12: Предохранители ПН2-250 FU13-FU24: Предохранители ПН2-250 | Нет Автоматический Неавтоматический | - 1 2 | |
| Тип | Принципиальная схема первичных соединений | Элементы на схеме | Блок управления освещением | |
|---|---|---|---|---|
| Вид | Рис. | |||
| Вводно-распределительные панели | ||||
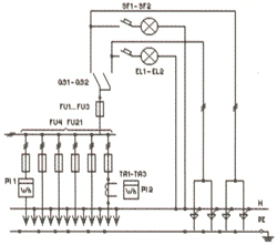
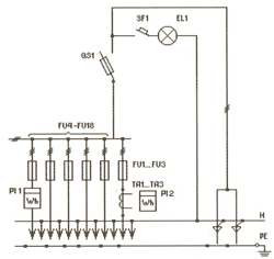
| ВРУ1-21-10УХЛ4 | FU1-FU3: Предохранители ПН2-250 FU4-FU9: Предохранители ПН2-60 FU10-FU18: Предохранители ПН2-100 PI1: Счетчик (учет общих нагрузок) QS1: Переключатель 250А SF1, SF2: Автоматические выключатели EL1, EL2: Лампы накаливания TA1-TA3: Трансф-ры тока 50/5...200/5 | Нет | Нет | |
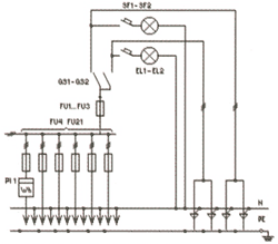
| ВРУ1-22-53УХЛ4 ВРУ1-22-54УХЛ4 ВРУ1-22-55УХЛ4 ВРУ1-22-56УХЛ4 | FU1-FU3: Предохранители ПН2-250 FU4-FU21: Предохранители ПН2-100 PI1: Счетчик (учет домоупр. нагрузок) QS1, QS2: Блок-выключатели SF1, SF2: Автоматические выключатели EL1, EL2: Лампы накаливания | Автомат. с автомат. выключ. Неавтомат. с автомат. выключ. Автомат. с автомат. выключ. Неавтомат. с автомат. выключ. | 5 6 7 8 | |
| ВРУ1-23-53УХЛ4 ВРУ1-23-54УХЛ4 ВРУ1-23-55УХЛ4 ВРУ1-23-56УХЛ4 | FU1-FU3: Предохранители ПН2-250 FU4-FU18: Предохранители ПН2-100 PI1: Счетчик (учет общих нагрузок) QS1, QS2: Блок-выключатели SF1, SF2: Автоматические выключатели EL1, EL2: Лампы накаливания TA1-TA3: Трансф-ры тока 30/5...200/5 | Автомат. с автомат. выключ. Неавтомат. с автомат. выключ. Автомат. с автомат. выключ. Неавтомат. с автомат. выключ. | 5 6 7 8 | |
| ВРУ1-24-53УХЛ4 ВРУ1-24-54УХЛ4 ВРУ1-24-55УХЛ4 ВРУ1-24-56УХЛ4 | FU1-FU3: Предохранители ПН2-250 FU4-FU21: Предохранители ПН2-100 PI1: Счетчик (учет домоупр. нагрузок) PI2: Счетчик (учет абон. нагрузок) QS1, QS2: Блок-выключатели SF1, SF2: Автоматические выключатели EL1, EL2: Лампы накаливания TA1-TA3: Трансф-ры тока 30/5...100/5 | Автоматический Неавтомат. с автомат. выключ. Автоматический Неавтоматический | 5 6 7 8 | |
| ВРУ1-25-63УХЛ4 ВРУ1-25-64УХЛ4 ВРУ1-25-65УХЛ4 ВРУ1-25-66УХЛ4 | FU1-FU3: Предохранители ПН2-60 FU4-FU18: Предохранители ПН2-100 PI1: Счетчик (учет домоупр. нагрузок) QS1: Блок-выключатель SF1: Автоматический выключатель EL1: Лампа накаливания | Автомат. с автомат. выключ. Неавтомат. с автомат. выключ. Автомат. с автомат. выключ. Неавтомат. с автомат. выключ. | 5 6 7 8 | |
| ВРУ1-26-63УХЛ4 ВРУ1-26-64УХЛ4 ВРУ1-26-65УХЛ4 ВРУ1-26-66УХЛ4 | FU1-FU3: Предохранители ПН2-100 FU4-FU15: Предохранители ПН2-60 PI1: Счетчик (учет общих нагрузок) QS1: Блок-выключатель SF1: Автоматический выключатель EL1: Лампа накаливания TA1-TA3: Трансф-ры тока 50/5...200/5 | Автомат. с автомат. выключ. Неавтомат. с автомат. выключ. Автомат. с автомат. выключ. Неавтомат. с автомат. выключ. | 5 6 7 8 | |
| ВРУ1-27-63УХЛ4 ВРУ1-27-64УХЛ4 ВРУ1-27-65УХЛ4 ВРУ1-27-66УХЛ4 | FU1-FU3: Предохранители ПН2-100 FU4-FU18: Предохранители ПН2-60 PI1: Счетчик (учет домоупр. нагрузок) SF1: Автоматический выключатель EL1: Лампа накаливания TA1-TA3: Трансф-ры тока 30/5...100/5 | Автомат. с автомат. выключ. Неавтомат. с автомат. выключ. Автомат. с автомат. выключ. Неавтомат. с автомат. выключ. | 5 6 7 8 | |
| ВРУ1-28-63УХЛ4 ВРУ1-28-64УХЛ4 ВРУ1-28-65УХЛ4 ВРУ1-28-66УХЛ4 | FU1-FU3: Предохранители ПН2-100 FU4-FU18: Предохранители ПН2-60 PI1: Счетчик (учет общих нагрузок) PI2: Счетчик (учет домоупр. нагрузок) QS1: Блок-выключатель SF1: Автоматический выключатель EL1: Лампа накаливания TA1-TA3: Трансф-ры тока 30/5...100/5 | Автоматический Неавтомат. с автомат. выключ. Автоматический Неавтоматический | 5 6 7 8 | |
| ВРУ1-29-63УХЛ4 ВРУ1-29-64УХЛ4 ВРУ1-29-65УХЛ4 ВРУ1-29-66УХЛ4 | FU1-FU3: Предохранители ПН2-100 FU4-FU18: Предохранители ПН2-60 PI1: Счетчик (учет общих нагрузок) PI2: Счетчик (учет абонент. нагрузок) QS1: Блок-выключатель SF1: Автоматический выключатель EL1: Лампа накаливания TA1-TA6: Трансф-ры тока 30/5...100/5 | Автомат. с автомат. выключ. Неавтомат. с автомат. выключ. Автомат. с автомат. выключ. Неавтомат. с автомат. выключ. | 5 6 7 8 | |
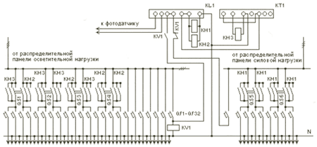
РИСУНКИ БЛОКА УПРАВЛЕНИЯ ОСВЕЩЕНИЕМ
Для распределительных панелей
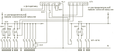
Рис. 1 KM1-KM3:Пускатель ПМЛ KV1: Промежуточное реле KL1: Фотореле ФР KT1: Реле времени 2РВМ QS1-QS6: Разъединители QF1-QF32: Автоматические выключатели |
|---|
Рис. 2 QS1-QS6: Разъединители QF1-QF30: Автоматические выключатели |
Рис. 3 QS1-QS3: Разъединители QF1-QF16: Автоматические выключатели KM1:Пускатель ПМЛ KV1: Промежуточное реле KL1: Фотореле ФР KT1: Реле времени 2РВМ |
Рис. 4 QS1-QS3: Разъединители QF1-QF14: Автоматические выключатели |
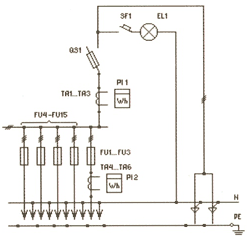
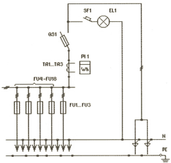
РИСУНКИ БЛОКА УПРАВЛЕНИЯ ОСВЕЩЕНИЕМ
Для вводно-распределительных панелей
Рис. 1 KM1:Пускатель ПМЛ KL1: Фотореле ФР QS1-QS2: Разъединители QF1-QF15: Автоматические выключатели | Рис. 2 QS1-QS2: Разъединители QF1-QF14: Автоматические выключатели | |
|---|---|---|
Рис. 3 KM1:Пускатель ПМЛ KL1: Фотореле ФР QS1-QS2: Разъединители FU1-FU9: Предохранители ПРС | Рис. 4 QS1-QS2: Разъединители FU1-FU8: Предохранители ПРС |
Отзывы
Задать вопрос
Задать вопрос
Дополнительно
Дополнительная вкладка, для размещения информации о магазине, доставке или любого другого важного контента. Поможет вам ответить на интересующие покупателя вопросы и развеять его сомнения в покупке. Используйте её по своему усмотрению.
Вы можете убрать её или вернуть обратно, изменив одну галочку в настройках компонента. Очень удобно.
Будьте всегда в курсе!
Узнавайте о скидках и акциях первым
Новости
Все новости
24 июня 2020
Выкуп холодильного оборудования
Раздел не найден.







































































































































































































































