Контактор КТ 6014 220в 85А
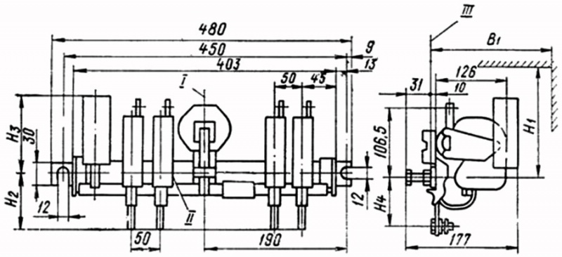
Контактор КТ-6014 БУ3 — это электромагнитное устройство, функционально очень схожее с электровыключателем. Главное в контакторе КТ-6014 - это механизм в виде катушки с сердечником, который в момент поступления на катушку электрического тока инициирует движение сердечника. Двигающийся сердечник, таким образом, замыкает контактные поверхности силовой цепи контактора КТ-6014. Габариты четырехполюсного контактора КТ-6014 представлены на рисунке.
Рис. 1. І – вертикальная установочная ось, ІІ – горизонтальная установочная ось, ІІІ – установочная плоскость контактора, Н1 и В1 – расстояние до ближайшей токопроводящей либо заземленной детали
Устройство КТ-6014
Главными составляющими контактора КТ-6014 БУЗ являются: главные контакты, дугoгасительная система, электрoмагнитная система и вспомогательные контакты.
Смыкание и разрыв силовой цепи безупречно выполняют главные контакты, которые рассчитаны на долговременное проведение номинального тока, на частые включения и отключения при большой их частоте.
Основная миссия дугогасительных камер контакторов – это ликвидация (тушение) электрической дуги поперечным магнитным полем в асбестоцементных камерах с продольными щелями.
Электромагнитная система аппарата - это прочный альянс из сердечника, якоря, катушки и крепежных деталей. Она гарантировано обеспечивает безотказную работу рассматриваемого нами «объекта», т. е. включение и отключение контактора. Конструкция этой системы напрямую зависит от цепи управления контактора.
Принцип действия дугогасительной системы КТ-6014
Размыкание главных контактов, инициирует возникновение электрической дуги. Температура дуги невероятно высока (примерно 5000-7000°С), что чревато перегревом либо оплавлением контактов контактора КТ-6014. Такие повреждения недопустимы при работе устройства.
1 – электрическая дуга; 2 – дугогасительная катушка; 3 – сердечник катушки; 4 – полюсные наконечники; 5 – контакты; 6 – дугогасительная камера; 7 – дугогасительный рог; F – электромагнитная сила
В этом случае незаменимым помощником выступает дугогасительная система. В контакторах КТ - 6014 используется принцип магнитного гашения электрической дуги. Для устранения электрической дуги служат дугогасительные катушки. Катушка подсоединяется к одному из контактов последовательно и максимально близко к самим контактам.
Магнитный поток, возникающий при прохождении тока через контакты (5) и катушку (2), замыкается при участии сердечника (3), полюсных металлических наконечников (4), через воздушный люфт между пластинами.
Вектор магнитного поля изображен на рисунке пунктирными линиями. В этом случае, дуга является проводником тока, оказавшимся в магнитном поле.
Возникающая при этом электромагнитная сила (сила Лоренца - с которой электромагнитное поле действует на заряженную частицу) выталкивает дугу, рассеивая продукт гашения дуги в дугогасительной камере. При этом отработанные газы выходят через щели в данной камере наружу (рис. 1).
Сильное гудение магнитной системы электромагнитного контактора КТ-6014
Нехарактерный сильный гул магнитной системы может подавать сигнал о нарушениях в работе катушки управления аппарата. При нормальном функционировании электромагнит издает лишь незначительный шум. Сильное гудение сообщает о его неисправности. Главное своевременно отреагировать на подобные «сигналы».
Для обнаружения источника постороннего звука отключенное устройство осматривают и проверяют:
а) силу затяжки винтов, фиксирующих якорь и сердечник,
б) наличие повреждений короткозамкнутого витка. При включении контактора КТ – 6014 сквозь катушку течет переменный ток, магнитный поток при этом может изменять свой вектор и в некоторые мгновения иметь нулевое значение. В таких случаях противодействующая пружина отталкивает якорь от сердечника, что приводит к дребезжанию якоря. Короткозамкнутый виток в контакторах КТ – 6014 локализирует это явление.
в) гладкость плоскости касания обеих половин электромагнитной системы контактора КТ - 6014 и правильность их подгонки, так как положение якоря влияет на ток в обмотке. Из-за наличия люфта между якорем и сердечником ток, проходящий через катушку, будет выше номинального.
Монтаж КТ-6014
Монтаж контактора КТ-6014 производится только при снятом напряжении в цепи, при условии соблюдения правил техники безопасности, а также правил безопасности, прописанных в руководстве по эксплуатации на контакторы данного типа. К установке допускается специализированный персонал, имеющий соответствующие квалификационные допуски и разрешения.
Техническое обслуживание контактора КТ-6014
Техническим обслуживанием считаются периодические осмотры контактора КТ-6014. Их необходимость возникает после каждых 50 тыс. срабатываний, но не менее 1 раза в месяц. Также контакторы подвергаются осмотрам после каждого форс-мажора в виде экстренного либо аварийного отключения сети. Во время осмотра удаляют с контактов следы нагара и, при необходимости, очищают поверхность контактов от признаков залипания чистой ветошью, смоченной в бензине.
Задать вопрос
Дополнительная вкладка, для размещения информации о магазине, доставке или любого другого важного контента. Поможет вам ответить на интересующие покупателя вопросы и развеять его сомнения в покупке. Используйте её по своему усмотрению.
Вы можете убрать её или вернуть обратно, изменив одну галочку в настройках компонента. Очень удобно.
Раздел не найден.









































































